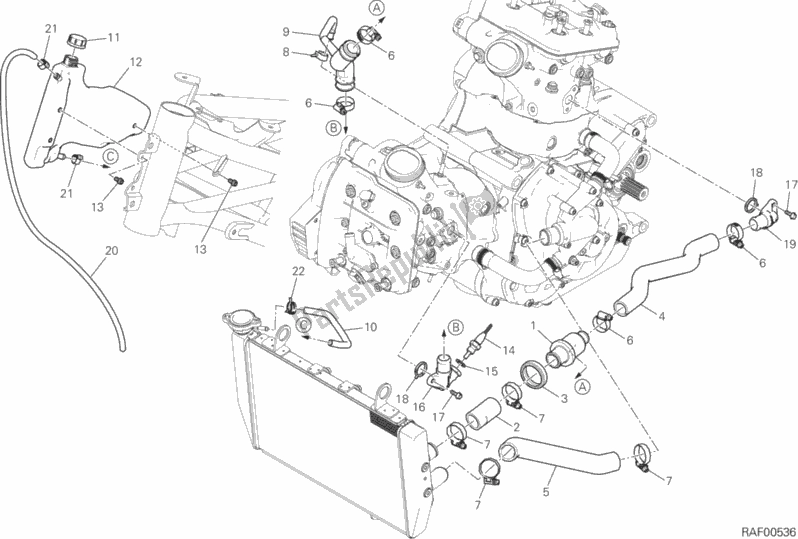
55340041a
termostato80012393A
manga88111281A
anel de proteção do termostato80012371A
termostato / mangueira da bomba vertical80012381C
bomba / mangueira do refrigerador74142581A
braçadeira 16-27 mm74142591A
braçadeira 20-35 mm74142501A
braçadeira80012362A
termostato / mangueira da bomba horizontal93410111a
tubo89310143a
tampa do tanque58510931A
tanque, reservatório de água77156628b
parafuso55242671A
sensor, temperatura85250421a
junta de cobre sp 1 581420051A
guarnizione basetta specchio retrov.77210623b
parafuso88641031a
Anel-O81412351b
união de saída de água vertical93410231A
tubo de respiro74140651a
guia de mangueira8a0067610
guia de mangueira